|
Product Details:
Payment & Shipping Terms:
|
| Fluid: | Water, Oil Etc | Structure: | Three Pieces Body |
|---|---|---|---|
| Body Material: | WCB, CF8M, CF8, CF3, CF3M | Bore: | Reduced /Standard Bore |
| Warranty: | 12 Month | Working Temperature: | -25~-180℃ |
| High Light: | flanged end ball valve,v port ball valve |
||
3 Pieces Body Blow-Out Proof Stem Flanged Ball Valve For Severe Conditions
Description
TEKO's three piece ball valves feature live loaded stem seals and a redundant body seal design. Available in full and standard port design, the three piece valves are ideal for process, severe service, high temperature, and high cycle applications. Its ISO 5211 standard mounting pad allow user to change the actuator in line freely
The TEKO three piece body has many advantages, such as installation flexibility, elimination of the need for two sets of flanges, and ease of in line and out of line servicing. These time-saving features are beneficial for process industries, automated valves and welded piping systems by reducing costly downtime. During maintenance, the actuator and accessories can remain mounted on the valve body. The entire valve and actuator assembly is easily reinstalled with no need for recalibration of the unit.
Features:
Drawing:

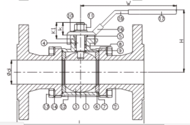
| ITEM | PARTS | MATERIAL | |
| 1 | BODY | ASTM A351-CF8M | ASTM A216-WCB |
| 2 | CAP | ||
| 3 | BALL | ASTM A351-CF8M | |
| 4 | STEM | ASTM A276-316 | |
| 5 | GLAND NUT | AISI 304 | |
| 6 | SEAT | PTFE/RTFE | |
| 7 | SEAL | PTFE | |
| 8 | PACKING | ||
| 9 | THRUST WASHER | ||
| 10 | SPRING WASHER | AISI 304 | |
| 11 | STEM NUT | ||
| 12 | BOLT | ||
| 13 | BOLT NUT | ||
| 14 | SPRING WASHER | ||
| 15 | HANDLE | STAINLESS STEEL | |
| 16 | LOCKING DEVICE | ||
| 17 | HANDLE SLEEVE | PVC | |
| DN | d | L | T | H | W | C | K | K1 | S |
| 15 | 15 | 130 | 24 | 83 | 152 | 5 | 10.5 | 16.2 | 5/16"W |
| 20 | 20 | 150 | 28 | 92 | 152 | 6.5 | 13.5 | 20.7 | 3/8"W |
| 25 | 25 | 160 | 35 | 86 | 182 | 8 | 15.5 | 24.7 | 7/16"W |
| 32 | 32 | 180 | 45 | 91 | 182 | 8 | 15.5 | 21.7 | 7/16"W |
| 40 | 38 | 200 | 55 | 112 | 214 | 9 | 17.5 | 26.7 | 1/2"W |
| 50 | 50 | 230 | 66 | 115 | 214 | 9 | 17.5 | 26.7 | 1/2"W |
| 65 | 65 | 290 | 86 | 172 | 314 | 12 | 33 | 42.2 | 3/4"W |
| 80 | 80 | 310 | 100 | 188 | 314 | 12 | 33 | 40.2 | 3/4"W |
| 100 | 100 | 350 | 125 | 207 | 339 | 12 | 42 | 56 | 1"W |
Contact Person: sales
Tel: +8613660157288
Bubble Tight Low Pressure Air Operated Slurry Pinch Valve
Epoxy Coating Body Packing Gear Slurry Pinch Valve For Water Plant Less Zero Leakage Bevel
Pneumatic Actuated Handmade Sleeve Fabric Cord Enhanced Pinch Valve For Mining Pelletizing
Heavy Duty Pneumatic Hose Valves Cast Iron Body Flange End Full Bore
Gear Operation Flow Regulating Industrial Valves Ductile Iron Body Piston Type TEKO Brand
Tilted Disc Industrial Check Valve Minimum Pressure Loss With Oil Dashpot For Water
Double Seated Industrial Valves With High Abrasion Natural Rubber Short Body
Top Entry Double Seated Industrial WCB Ball Valve Cone Shape With No Clogging
F7353 JIS Marine Valve Cast Iron Screw Down Non - Return Straight Type With CCS Certificate
Flanged End Marine Bronze Globe Valve For Water Purifier JIS F7409